WARNING:
JavaScript is turned OFF. None of the links on this concept map will
work until it is reactivated.
If you need help turning JavaScript On, click here.
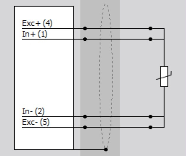
Este Cmap, tiene información relacionada con: 2. b.- Método Cableado RTDs, Métodos de Cableado pueden ser a 4 hilos, Métodos de Cableado pueden ser a 3 hilos, Métodos de Cableado pueden ser a 2 hilos